a jak Wy zabezpieczacie przed przepięciami obwody sterowania? Do mnie właśnie dojechał zamówiony ogranicznik PLT-SEC-T3-24-FM-PT - Type 3 2907925 @Phoenix Contact i dziś będzie montowany. Tylko jak go podłączyć? No bo po co czytać instrukcje obsługi tak prostej rzeczy jak ograniczniki? ;) U mnie w rozdzielnicy domowej zasilacz DC 24V 10A . To jak w końcu Waszym zdaniem należy ten ogranicznik podłączyć w obwód 24V, szeregowo, czy równolegle?
Jak myślicie, dlaczego producent raz każe podłączać SPD równolegle, a innym razem szeregowo?

Rozwiązane! Idź do rozwiązania.
Odpowiedzi (18)
- Sortuj według
- Ostatnio dodane
- Najwyżej ocenione
- Sortuj od najstarszych
-
-
@Piotr Bibik: :)) nie spodziewałem się, aż tak rychłego wyjaśnienia tematu ;), więc jednak wiedziałem, że gdzieś dzwoni obok zabezpieczeń prądowych :)))
-
-
Nie będę tutaj bardzo się rozwodził na temat zabezpieczeń urządzeń teletechnicznych. Jest rzeczywiście sporo materiałów na ten temat. Bardzo wartościowe materiały mają RST, Phoenix Contact, Hager. Sporo też można o tym przeczytać w prasie branżowej i w ostatnich latach naprawdę sporo się ukazało na ten temat artykułów. Co do pytania to nie może paść jednoznaczna odpowiedź moim zdaniem Bo to w jaki sposób podłączasz ogranicznik jest uwarunkowane tym w jaki sposób jesteś w stanie określić rodzaj zakłóceń przychodzących po liniach lub po zasilaniu. Określa się najczęściej jako symetryczne i asymetryczne. Te pierwsze zakłócenia pojawiają się między czynnymi przewodami pod napięciem a asymetryczne pojawiają się miedzy przewodem pod napięciem a uziemieniem. Dla zakłóceń symetrycznych podłącza się zabezpieczenie szeregowo a dla asymetrycznych równolegle.
-
@Sławomir Lesiak: w tym konkretnym przypadku odpowiedź jest prosta i nie aż tak skomplikowana ;)
-
@Piotr Bibik:No to jak wiesz to działaj :-)
-
-
-
Kolega chyba podchwytliwe pytania zadaje. Od kiedy ogranicznik szeregowo w obwód wpinamy? Zawsze równolegle. Może koledzy rozwiną dlaczego w jednym przypadku dobezpieczenie wkładkami bezpiecznikowymi na fazie ma jedno zabezpieczenie, a w drugim przypadku dwa bezpieczniki? Jakie zadanie one pełnią w tym układzie?
-
@Lechu1985: musisz się jeszcze sporo nauczyć o ogranicznikach, aby zabierać głos w tym temacie. Polecam webinary RST.
-
@Domsat: po to tutaj jestem, żeby się czegoś nauczyć :). W mojej opinii nie jest wstydem zapytać bo czegoś się nie wie. Nie mam maniery udawania, że każde zagadnienie jest proste i nie ma sensu dopytać. Niby prosty temat Piotr wrzucił, a taki nie jest.
-
-
@Lechu1985: nie przejmuj się takimi komentarzami pod tytułem "musisz się jeszcze sporo nauczyć...." Wszystko co mówimy i jak sie zachowujemy mówi o nas. Ten gość nie ma pokory w sobie i samokrytycyzmu. Jeśli chodzi o sposób podłączenia ogranicznika jak i sposobu dobezpieczenia to ma to związek z charakterem zakłóceń. I tak w wielkim uproszczeniu podałem Ci w grafice. Jeżeli chodzi o zabezpieczenie teletechniki to wydaje mi się, że jest to temat o wiele bardziej skomplikowany niż w przypadku zabezpieczania obwodów elektrycznych. Oczywiście każdy może mieć inne zdanie na ten temat, natomiast jest tak wiele zmiennych i uwarunkowań, które mogą wpływać na poprawna pracę teletechniki, iż jest o czym pisać i mówić. Tym bardziej, że jeszcze nie tak dawno zabezpieczenia tego typu rozważało sie najczęściej w telekomunikacji. Dopiero teraz nastały czasy, gdy mówi się już sporo o zabezpieczeniu teletechniczki, informatyki itp.
-
@Lechu1985: trop dobry :) I jeśli byśmy skoncentrowali się tylko na ogranicznikach przepięć używanych do ochrony obwodów zasilania to miałbyś rację, ale jeśli mówimy ogólnie o ogranicznikach przepięć również tych w obwodach "sygnałowych" to temat już nie jest tak prosty i oczywisty
-
-
Zakładam, że w odpowiednim momencie odpowiesz na zadane przez siebie pytanie, ciekaw jestem. Mogę tylko przypuszczać, że chodzi o wartość zabezpieczeń poprzedzających.
-
@artel electric: widzę, że znasz mnie ;)
-
@Piotr Bibik: No przecież :) oczywiście tylko z tej dobrej strony ;)
-
-
-
Trywialne pytanie, więc radość z odpowiedzi pozostawiam innym. Mnie natomiast intryguje konieczność (?) zamontowania tego ogranicznika jakby nie było za ponad 500,- zł.
Czy długość obwodu 24 V DC jest tak duża lub może jest poddana działaniom innych obwodów 230 V AC i to ze znacznymi prądami ? Jakie urządzenia czułe na przepięcia są zainstalowane w tym obwodzie ? Zresztą zasilacze mają zwykle OVP.
-
@Domsat: rozdzielnica ogrzewania CO i CWU w moim domu. Moc przełączana w rozdzielnicy około 15 - 17 kW. Pełnej separacji przewodów DC od AC nie udało się uzyskać :( Po stronie DC: S7-1200 z rozszerzeniami, UPS 24V, konwerter RS485, 10" dotykowy panel operatorski, zawory i czujniki przepływu 0-10V, przetworniki ciśnienia 0-10V i cała masa przekaźników elektromagnetycznych... Kiedyś to opiszę ;)
-
@Piotr Bibik: no.. ciekawa ta rozdzielnica, rozbudowana - sztuka dla sztuki czy dla własnej satysfakcji i komfortu czy jednak daje rzeczywiste korzyści w postaci oszczędności. Jej moc to cieplna czy elektryczna ? I proponuję ją opisać - nie kiedyś, ale jeszcze w tym roku. To jest interesujący temat, nieporównywalny z jakimiś tam błahymi temacikami dla laików.
-
@Domsat: moc elektryczna. Rozdzielnica dla własnej satysfakcji 7x24 moduły okazała się za mała i musiałem piętrowo kilka rzędów zrealizować (złączki na dole modułówka na "piętrze"). W tym roku nie ma szans na opisanie. Mam kilka innych tematów a ta czeka w kolejce zresztą obecnie jest w trakcie uruchamiania. Będzie na moim blogu, który obecnie trochę zaniedbałem właśnie ze względu na brak czasu i projekty które realizuję u siebie w domu.
-
@Piotr Bibik: zaczekam !
-
-
Czytaj także:
Ochrona przeciwprzepięciowa instalacji teletechnicznych
Kto z Was ma wiedzę (i stosuje ją w praktyce) na temat ochrony prze
Dlaczego ochrona przeciwprzepięciowa jest nieskuteczna?
Z jakiego powodu w prawie każdym przypadku (dotyczy budownictwa mie
Obowiązkowa ochrona przeciwprzepięciowa
Czy przepisy określają konkretny typ przepięciówki jaki ma być zast
Ochrona przeciwprzepięciowa - INFOGRAFIKA
Przedstawiamy zarys najważniejszych kwestii związanych z prawidłową
Ochrona przeciwprzepięciowa - jak dobrać ogranicznik prze
Jak uchronić swój cenny sprzęt elektroniczny przed zdarzeniami loso
Jaki jest realny koszt wykonania bezpiecznej instalacji e
Czy bezpieczeństwo zawsze wiąże się z wysokimi kosztami? W tekście

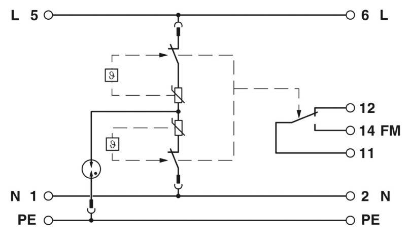
Zadając pytanie celowo dałem link do strony producenta tego konkretnego modelu którego pytanie dotyczyło. Mam wrażenie, że część odpowiedzi poszła w kierunku ogólnym a nie tego konkretnego modelu SPD. Wróćmy do tematu czyli jak podłączyć PLT-SEC-T3-24-FM-PT - Type 3 2907925?
Zobaczcie poniższy schemat.
Niezależnie, czy ogranicznik podłączymy równolegle, czy szeregowo (patrząc na zaciski ogranicznika) to i tak ze względu na budowę wewnętrzną ogranicznik jest równolegle wpięty w instalacje. Dlaczego więc producent podaje w instrukcji różne możliwości podłączenia?
Sprawdźmy!
Gdy spodziewany maksymalny prąd w obwodzie jest:
Zobaczcie, (grafika poniżej) jakie maksymalne przekroje przewodów podłączeniowych można użyć do wpięcia ogranicznika w instalacje elektryczną?
Gdy połączycie te informacje z maksymalną długotrwałą obciążalnością przewodów i zacisków to odpowiedź na zadane pytanie staje się oczywista :)
Podsumowując, połączenie szeregowe gwarantuje maksymalnie krótkie przewody pomiędzy chronionymi obwodami a ogranicznikiem. W przypadku połączenia równoległego należy zwrócić uwagę na długości przewodów podłączeniowych, ale to temat na inną dyskusje.