Odpowiedzi (1)
- Sortuj według
- Ostatnio dodane
- Najwyżej ocenione
- Sortuj od najstarszych
Czytaj także:
Jak określić czy alternator w samochodzie działa?
Czy zapalenie się kontrolki ładowania akumulatora oznacza uszkodzen
Jak sprawdzić alternator?
Jeżdżę Vectrą B i od jakiegoś czasu muszę prostownikiem doładowywać
jak zrobić silnik elektryczny z alternatora?
Mam dostęp do alternatorów i zastanawiam się czy można je przerobić
Kamper pod napięciem. Instalacja elektryczna w kamperze.
Budowa własnego kampera może dać tyle samo frajdy co późniejsze wyj
Jak działa agregat prądotwórczy?
Przedstawiamy tajniki funkcjonowania tego kluczowego urządzenia. Ja
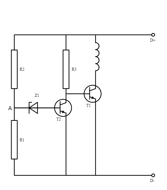
Podłączenie alternatora – co elektryk wiedzieć powinien?
Źle podłączony alternator potrafi zniszczyć więcej niż tylko akumul

Prawo Ohma się kłania. Zastanów się jakbyś to zrobił i napisz tutaj:)