Odpowiedzi (3)
- Sortuj według
- Ostatnio dodane
- Najwyżej ocenione
- Sortuj od najstarszych
-
-
Osobiście nie widzę potrzeby zabezpieczania lampek LED o ile są podłączane za zabezpieczeniem głównym w rozdzielnicy, poza tym same rezystory wbudowane w lampkach, obniżające napięcie stanowią zabezpieczenie.
-
Od wielu lat w gronie elektryków toczy się dyskusja czy i czym zabezpieczać lampki modułowe. Zdania są podzielone, i każda strona ma swoje argumenty z którymi trudno się nie zgodzić a jednocześnie nie spotkałem się z jasnymi wytycznymi zawartymi np. w Polskich Normach.
Sugeruję rozpocząć od ustalenia w jakiej rozdzielnicy ta lampka będzie montowana, jaki jest jej cel i jakie zabezpieczenia ją poprzedzają? Kolejna sprawa dotyczy warunków lokalnych czyli czy rozdzielnicę w której będzie ta lampka zamontowana będzie odbierał Inspektor Nadzoru, lub Kierownik Budowy i jakie wymagania ma taka osoba. Często nie warto "iść na wojnę" tylko należy zrobić tak, jak wymaga osoba nadzorująca.
Najbezpieczniejszą odpowiedzią jest: należy zainstalować lampkę modułową zgodnie z schematem umieszczonym w projekcie wykonanym przez osobę posiadającą odpowiednią wiedzę i doświadczenie.
Kolejną bezpieczną odpowiedzią jest: należy wykonać zgodnie z zaleceniami producenta, a jeśli ich brak należy skontaktować się z producentem (najlepiej mailowo lub na piśmie) i poprosić o zajęcie stanowiska, bo kto lepiej od producenta zna swoje wyroby?
A przechodząc do praktyki można lampkę zabezpieczyć odpowiednio dobranym zabezpieczeniem np. wkładką topikową lub zabezpieczeniem nadprądowym które ma odpowiednio dobrany prąd znamionowy i (o czym wielu zapomina) znamionową zwarciową zdolność łączeniową.
Aby zbędnie nie przedłużać. Najczęściej zabezpiecza się takie lampki wkładką topikową 5x20 stosowaną w podstawach:
https://www.tim.pl/aparatura-elektryczna/aparatura-modulowa/podstawy-bezpiecznikowe-do-wkladek-cylin
Ale oferta podstaw bezpiecznikowych jest dużo szersza:
https://www.tim.pl/aparatura-elektryczna/aparatura-modulowa/podstawy-bezpiecznikowe-do-wkladek-cylin
W przypadkach gdy wymagana jest znamionowa zwarciowa zdolność łączeniowa na poziomie 6; 10; 15 kA jako zabezpieczenia lampek często stosowane są wyłączniki nadprądowe 0,3 lub 0,5A (pytanie czy to nie są zbyt duże prądy dla lampek).
https://www.tim.pl/wyszukiwanie/wyniki/?q=wy%C5%82%C4%85cznik%20nadpr%C4%85dowy%201p&p=1&ord
Ale należy wspomnieć, że część osób podchodzi do tematu inaczej. Zadaniem lampki jest sygnalizowanie obecności napięcia, a stosowanie zabezpieczenia lampek może skutkować tym, że uszkodzeniu ulegnie zabezpieczenie lampki (to się zdarza) i wówczas lamka się nie świeci - w domyśle użytkownika nie ma napięcia i łatwo może dojść do wypadku. Stąd tak ważne jest, aby decyzję czy i czym zabezpieczyć lamkę modułową podejmowała osoba która ma ma odpowiednią wiedzę, uprawnienia i zna instalacje w której lampka jest zamontowana.
I jeszcze jedno. W sprzedaży są lamki modułowe które mają własne zabezpieczenie w postaci wkładki topikowej 5x20 np.
https://www.tim.pl/trojfazowa-lampka-kontrolna-z-zabezpieczeniem-zielona-lk-bz-3g/p/0001-00013-28278
https://www.tim.pl/trojfazowa-lampka-kontrolna-z-zabezpieczeniem-zolta-czerwona-zielona-lk-bz-3k/p/0
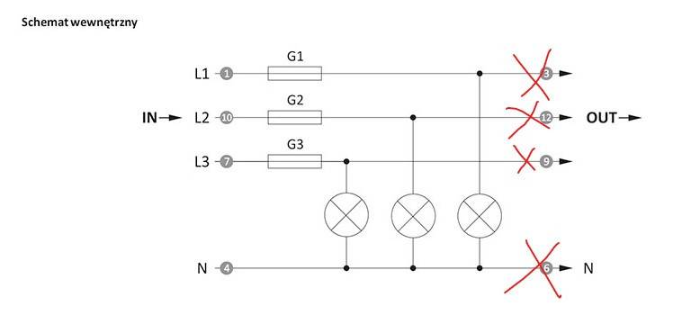
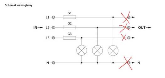
W takim przypadku lampkę z zabezpieczeniem należy podłączyć korzystając tylko z wejść (wyjścia zostawić nie podłączone)
Czytaj także:
Problem z dwoma automatycznymi przełącznikami faz
Cześć! Kolega zadał mi pytanie i przyznam szczerze, że nie wiem co
Czy zabezpieczanie lampki sygnalizujące obecność napięcia
Tak jak w temacie. A jeśli tak to jakim zabezpieczeniem?
wirowanie faz zagadka ?
HejPrzesiadlem sie ostatnio z unita na sonela p5 , a ze z ciekawosc
Czujniki kolejności faz i czujniki asymetrii napięcia w o
Trójfazowe silniki prądu przemiennego funkcjonujące we współczesnym
Lampka sygnalizacyjna LED – precyzyjna informacja o stani
Dowiedz się, jak lampka sygnalizacyjna LED w czerwonej obudowie moż
Lampka modułowa 3-fazowa z zabezpieczeniem: jak działa LK
Zielona lampka kontrolna LK-BZ-703G z wbudowanymi bezpiecznikami sy

Nie będe sie rozwodził co i jak. Sa producenci którzy oferują dla swoich wyrobów ale i nie tylko gniazda bezpiecznikowe dobezpieczające lampki kontrolne, względnie wskaźniki napiecia https://www.tim.pl/gniazdo-bezpiecznikowe-cylindryczne-3p-5x20-bzm-03-ext10000311/p/0001-00018-64885 lub choćby inne podstawy bezpiecznikowe. Sa oczywiście lampki kontrolne z wbudowanymi zabezpieczeniami jak choćby https://www.tim.pl/trojfazowa-lampka-kontrolna-z-zabezpieczeniem-zolta-czerwona-zielona-lk-bz-3k/p/0