Chciałbym zmodyfikować swoją rozdzielnice pomy ciepła w celu ochrony przed dużym napieciem oraz asymetrią faz.
W przypadku jednego obwodu na pompe ciepla to sprawa dla mnie jasna lecz.
Mam 2 obwody. Jeden na jednsotkę wewnetrzną i drugi na Zewnetrzną.
Obecnie moja rozdzielnica przy pompie to RDC > C16 i B16.
Chcialbym tu wpleść kontrolera faz CP-730 oraz Stycznik
Czyli stycznik by dawal napiecie na Eski jak by było wszystko ok czy ktoś ma na to pomysł ?
Odpowiedzi (6)
- Sortuj według
- Ostatnio dodane
- Najwyżej ocenione
- Sortuj od najstarszych
-
-
@artel electric: Wszystko ok tylko stycznik powinen być za zabezpieczeniem
-
@Szymon028: Zależy jak na to patrzeć. Po pierwsze pytanie dotyczyło sterowania, a nie zabezpieczeń układu (zauważ, że celowo nie określiłem wartości zabezpieczeń). Po drugie nie znamy całości infrastruktury, bo w przypadku, o którym piszesz jak stycznik to również PF710, można założyć że owa tablica jest już zabezpieczona z tablicy np. głównej tego nie wiemy, więc założyłem tylko zasilanie 3-f i opisałem sterowanie NO!!. Na upartego to jeszcze można zabezpieczyć cewkę stycznika. Nie czepiaj się więc proszę, bo jeszcze mi zarzucisz, że PE nie domalowałem o przepięciówce nie wspomnę 😆😆😆 😎
-
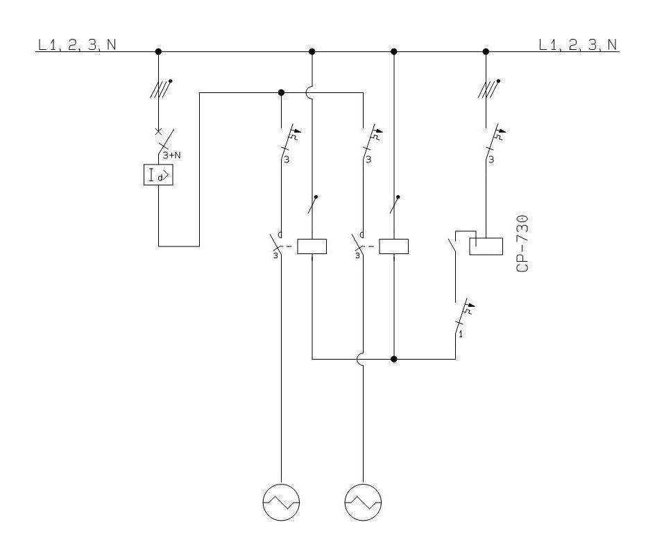
Rodzielnica Główna jest w pełni zabezpieczona.
Od Rozdzielnycy głównej przez FR ide rozdzielcy pompy ciepła.
Jak wczesniej pisałem obecnie mam standardowo
RDC - >C16(trójfazowe) - > Jednostka wewnetrzna
- >B16(trójfazowe) - > Jednostka ZewnetrznaI chciałbym wpleść Stycznik i CP-730 czyli sterownik kontroler faz które sterują stycznikiem
Oczywiscie cewki muszą być zabezpieczone jak i układ sterujący.
jak bym miał jeden obwód to zrobiłbym bym to tak
RDC - > C16 - > CP730-> Stycznik - > POMPA
Jak zrobić z 2 dwoma układami ? -
@artel electric: Nie o to chodzi że się czepiam, najlepszym rozwiązaniem było by zastosować 2 osobne styczniki na oba obwody pompy zamontowane za zabezpieczeniami nadprądowymi.
To tak patrząc od strony projektowej, i tak i tak będzie działać.
-
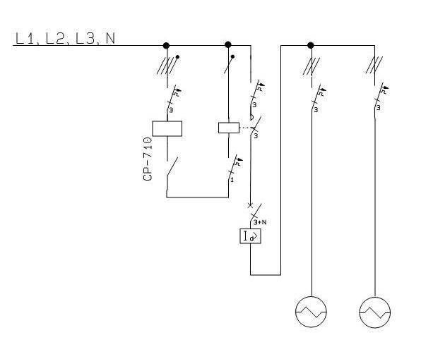
Po głowie chodził mi jeden stycznik, więc tak namalowałem w każdym razie w załączeniu zmodyfikowany schemat przy użyciu jednego stycznika jak chciałeś (już z zabezpieczeniami) oraz przy zastosowaniu dwóch styczników jak wspomniał @Szymon028 i uważam to lepszym rozwiązaniem.
-
-
Czytaj także:
Bufor do pompy ciepła
Zamierzam kupić pompę ciepła Nimbus Plus 50M NET Ariston 7;1 kW.&nb
Pompa ciepła
Mam pytanie odnośnie zbiornika CUW SOLITANK 200 do pompy ciep
Pompa ciepła
Dzień dobry, czy pompa ciepła działa w systemie C.O na grzejniki?&n
Montaż pompy ciepła – wybrane wytyczne elektryczne [porad
Na montaż pompy ciepła przeznaczonej na potrzeby centralnego ogrzew
Zużycie prądu przez pompę ciepła. Przyklady i szacunkowe
Zużycie prądu przez pompę ciepła zależy od wielu czynników, w tym o
Jak działa jest pompa ciepła?
Zastanawiasz się nad nowoczesnym i ekologicznym sposobem ogrzewania

Czym w przedstawionej sytuacji różni się sterowanie jednego czy dwóch obwodów na jednym zasilaniu, zwłaszcza że jeśli się nie mylę urządzenia chyba powinny pracować dualnie, jeśli dobrze zrozumiałem Twój zamysł to w załączeniu schemat