Odpowiedzi (3)
- Sortuj według
- Ostatnio dodane
- Najwyżej ocenione
- Sortuj od najstarszych
-
-
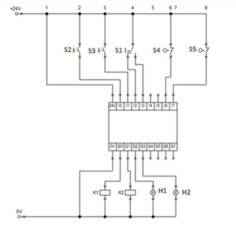
musisz sobie zadać pytanie czym sterujesz ?
zazwyczaj przy sterowaniu prostą logiką odcina się zasilanie za pomocą EStopu.Ale już przy poważnych instalacjach takie coś nie może mieć miejsca np. gdy sterujesz jakimś siłownikiem gdzie po zdjęciu zasilania z elektrozaworu siłownik opuszcza się i coś odcina ?? mamy pacjęta bez reki bo EStop możę i logike elektroniczną dobrze rozłączył ale pneumatyka zrobiła co mogła.
Więc najleprze rozwiązanie to takie gdzie elektronika pozostaje w zasilaniu w wiadomym stanie dla PLC silniki są wyłączane najszybciej jak to możliwe a pneumatyka również jest zatrzymywana w taki sposób aby siłownik zatrzymał się w miejscu tak szybko jak się da(powodują lekkie obrarzenia )
-
Na wejsciu linii zasilania 24V.
https://lh3.googleusercontent.com/proxy/YE0q7M4bZQMF-IUpDjUF6R91N22wNcwEt2I-VptZiGOuupnKl1kBnwY3QvYF
Czytaj także:
Przycisk awaryjny
Potrzebuję przycisk awaryjny żółto czerwony produkcji OEZ, niestety
Zasilacz awaryjny
Szukam zasilacza awaryjnego UPS Micro 1000VA/600W. Może być równowa
Gdzie umieścić sprzęty agd w kuchni
Czy mam ktoś podobny układ w kuchni. Chciała bym zmywarkę i piekarn
Montaż pompy ciepła – wybrane wytyczne elektryczne [porad
Na montaż pompy ciepła przeznaczonej na potrzeby centralnego ogrzew
Ostrożnie z prądem - środki ochrony przeciwporażeniowej
Ochrona przed porażeniem prądem elektrycznym w domu jest kluczowym
Jak podłączyć różnicówkę?
W artykule przyglądamy się roli wyłączników różnicowoprądowych, pop

Odpowiedź oznaczona przez autora jako pomocna
Na lini zasilającej.