Szukam jednofazowych zasilaczy 12 i 24V montowanych na szynę ostatecznie na płytę (kształt obudowy nie ma znaczenia jeśli będzie montaż na szynie). Wystarczy prąd 4-6A ale zależy mi, aby nie miał ograniczenia minimalnego obciążenia i aby można było z niego zasilać również obciążenia np. 2W. Idealnie, gdyby były to zasilacze 12V które można łączyć szeregowo uzyskując 24V. Możliwość regulacja mocy (ściemniania) byłaby dopełnieniem marzeń. Najlepiej jeśli będą to zasilacze @Schneider Electric potrzebne do budowy stanowisk dydaktycznych.
Odpowiedzi (12)
- Sortuj według
- Ostatnio dodane
- Najwyżej ocenione
- Sortuj od najstarszych
-
-
@Schneider Electric: super! Proszę o więcej informacji na temat diody o której piszecie. Jak ją podłączyć do dwóch szeregowo podłączonych zasilaczy i jakie parametry powinna mieć ta dioda?
-
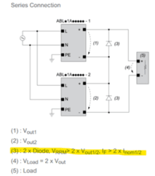
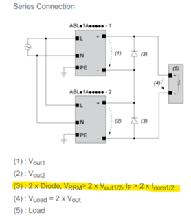
@Anonimowy:Poniżej załączamy rysunek i przykład.
Dioda:
VRRM > 2x Vout1 (lub out2)
IF > 2x Inom1 (lub nom2)Przykład:
2 x zasilacz (24V, 10A).
Diody muszą być w stanie wytrzymać VRRM >48V i IF >20A.
Tak duża dioda 20A musi być zamontowana na radiatorze.
Nie ma żadnych innych szczególnych wymagań dotyczących diod w odniesieniu do tych zasilaczy.
-
-
-
Może @EATON Electric coś jeszcze zaproponuje?
-
Jeżeli na wyjściu ma być 12 lub 24 VAC to mowa o transformatorach, a nie zasilaczach. Jeżeli znowu mowa o ściemnianiu to mowa o zasilaczach, a nie transformatorach.
-
@Piotr Kubaszewski: a to ma na wyjsciu 12AC i jest impulsowe https://www.se.com/pl/pl/product/ABLS1A12062/regulowany-zasilacz-impulsowy-phaseo-100-240-v-ac-12v-6
-
@Piotr Kubaszewski: oj widzę że na wyjściu ma DC :(
-
@Piotr Kubaszewski: zaktualizowałem wymagania na DC. Dzięki
-
-
Chcę doprecyzować. Czy chodzi Ci o zasilacze 12V, 24V z wyjściem AC czy DC ?
-
@Sławomir Lesiak: zasilacze z wyjściem AC. Jeśli da się je łączyć szeregowo to wolę 12V bo po połączeniu dwóch mam 24V. Ale jeśli nie można ich łączyć to szukam osobno 12V i 24V.
-
@Sławomir Lesiak: zmieniłem wymagania na DC
-
@Anonimowy:Tak naprawdę to spokojnie można na stronie Schneider Electric wpisać w wyszukiwarkę frazę "zasilacz DC" i naprawdę spora ilość wyskoczy propozycji. Można wyszukiwanie zawęzić do wpisania 12V i samemu sobie wybrać potrzebny zasilacz. Podobnej klasy zasilacze mają też w Phoenix Contact, no i na szereg innych firm jak np. MW Ale można też przejrzeć ofertę F&F czy Zamela. Tutaj skierował bym sie w stronę tzw. siatkowych zasilaczy. Te ostatnie propozycje sa na mniejszy budżet.
-
-
Czytaj także:
12 a 24v
Dlaczego ciezarowki w USA maja w instalacji napiecie 12v a u nas je
Zasilacz na szynę (modułowy) do wideodomofonu
Klient zakupił wideodomofon, gdzie zasilacz wtykany jest do gniazdk
Potrzebny zasilacz USB na szynę DIN
Czy spotkał ktoś zasilacz/ładowarkę w obudowie na szynę DIN i z wyj
Jak wybrać zasilacz do LED?
Jak wybrać zasilacz do LED? A co w tym trudnego? Napięcie zasilania
Jaki zasilacz do komputera dobrać?
Wybór odpowiedniego zasilacza do komputera jest niezwykle istotnym
PSR – Modułowe stabilizowane zasilacze impulsowe na szynę
PSR – zasilacze impulsowe montowane na szynę DIN to niezawodne i en

Z naszej oferty możemy zaproponować ABLS1A12062 12VDC i ABLS1A24050 24VDC.
Zasilacze nie mają ograniczenia minimalnego obciążenia, można je stosować do obciążenia 2W.
Połączenie szeregowe jest możliwe, przy czym dobrze jest zabezpieczyć wyjście diodą i zasilacze powinny być takie same (taka sama wydajność prądowa).
Regulacja mocy w tych zasilaczach nie jest dostępna, mają tylko trymer do regulowania napięcia wyjściowego w celu kompensacji spodku napięcia na przewodach.
Karty kat.:
https://www.se.com/pl/pl/product/ABLS1A12062
https://www.se.com/pl/pl/product/ABLS1A24050
Proszę o weryfikację czy produkty spełniają Państwa wymagania.